Offertförfrågan
Tack för din förfrågan!
Vi strävar alltid efter att återkomma till dig inom 24 hKontakta oss
Fyll i kontaktformuläret så återkopplar vi till dig så snabbt vi kan
Tack för din förfrågan!
Vi strävar alltid efter att återkomma till dig inom 24 hTillbaka till produkt
Ring oss
+46(0)36 316570
SVERO
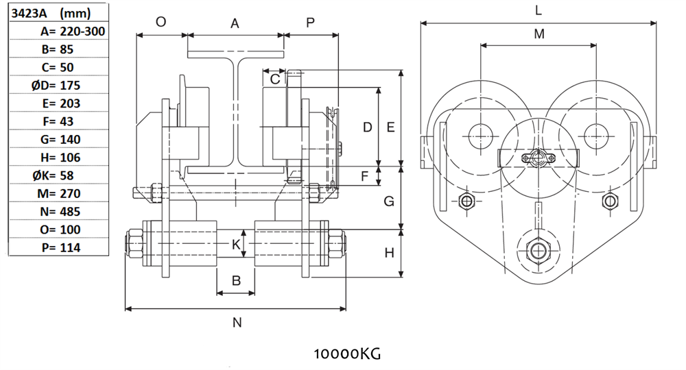
Art nr. 3423A
Balkvagn 10 000 kg kättingdriven, 220-300 mm
SVERO’s kättingdrivna balkvagn/blockvagn 10000 kg. För riktigt tunga behov inom industri och exempelvis underhåll och service av större maskiner.
30 538 SEK
Exkl. momsi lager
–
+
Beskrivning
- förflyttas enkelt och lätt med hjälp av handkättingen
- kan beställas med anpassad manöverhöjd
- passar de flesta lyftblock och telfrar
- passar IPE-, HEA-, HEB- och INP-balkar
- bredd anpassas med distanser
- pulverlackerade sidor i stål
- ställbar vänster- och högergängad bärbygel
- provbelastade med 1,5 x WLL
- arbetstemperatur -10° C upp till +50° C
- test- och CE-certifikat samt manualer medföljer
- spårbart med unikt SVERO serienummer
Egenskaper
Art nr.
3423A
WLL
10000
Balkbredd mm
220-300
Testlast
15000
Säkerhetsfaktor
4:1
Manöverhöjd
3
Vikt, netto
150
Märkning
CE, WLL, BEAM WIDTH
Standard
SS-EN 13157
Varumärke
SVERO
Manual
Produktblad


