Offertförfrågan
Tack för din förfrågan!
Vi strävar alltid efter att återkomma till dig inom 24 hKontakta oss
Fyll i kontaktformuläret så återkopplar vi till dig så snabbt vi kan
Tack för din förfrågan!
Vi strävar alltid efter att återkomma till dig inom 24 hTillbaka till produkt
Ring oss
+46(0)36 316570
SVERO
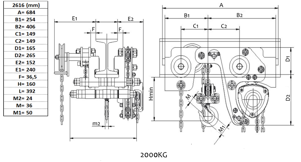
Art nr. 2616
Integrerat lågbyggt lyftblock/balkvagn 2000 kg
SVERO 26 är en extremt lågbyggd och manuellt kättingdriven balkvagn/blockvagn med ett integrerat lyftblock. Från undersida av balken till lastläget på kroken är bygghöjden, beroende på kapacitet, endast 135-235 mm. Samtliga modeller kan fås med anpassad kättinglängd både på balkvagnen och lyftblocket.
40 713 SEK
Exkl. momsFå i lager
–
+
Beskrivning
- extremt lågbyggd
- driven vagn
- robust och kraftig konstruktion
- låsbar i parkeringsläge
- gummistötdämpare
- enkelt ställbar för rätt balkprofil
- kan beställas med anpassad lyfthöjd
- test- och CE-certifikat samt manualer medföljer
- spårbart med unikt SVERO serienummer
Egenskaper
Art nr.
2616
WLL
2000
Balkbredd mm
82-156
Bygghöjd
160
Testlast
3000
Säkerhetsfaktor
4:1
Lyfthöjd
3
Manöverhöjd
3
Vikt, netto
118
Märkning
CE, WLL, BEAM WIDTH
Standard
SS-EN 13157
Varumärke
SVERO
Manual
Produktblad 

