Offertförfrågan
Tack för din förfrågan!
Vi strävar alltid efter att återkomma till dig inom 24 hKontakta oss
Fyll i kontaktformuläret så återkopplar vi till dig så snabbt vi kan
Tack för din förfrågan!
Vi strävar alltid efter att återkomma till dig inom 24 hTillbaka till produkt
Ring oss
+46(0)36 316570
SVERO
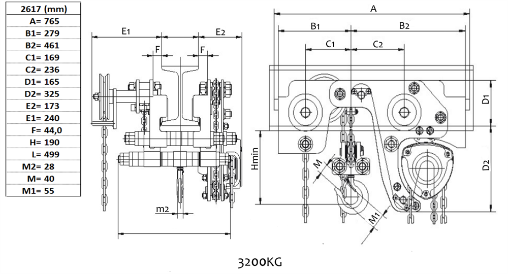
Art nr. 2617
Integrerat lågbyggt lyftblock/balkvagn 3200 kg
SVERO 26 är en extremt lågbyggd och manuellt kättingdriven balkvagn/blockvagn med ett integrerat lyftblock. Från undersida av balken till lastläget på kroken är bygghöjden, beroende på kapacitet, endast 135-235 mm. Samtliga modeller kan fås med anpassad kättinglängd både på balkvagnen och lyftblocket.
46 639 SEK
Exkl. momsBeställningsvara
Beskrivning
- extremt lågbyggd
- driven vagn
- robust och kraftig konstruktion
- låsbar i parkeringsläge
- gummistötdämpare
- enkelt ställbar för rätt balkprofil
- kan beställas med anpassad lyfthöjd
- test- och CE-certifikat samt manualer medföljer
- spårbart med unikt SVERO serienummer
Egenskaper
Art nr.
2617
WLL
3200
Balkbredd mm
103-223
Bygghöjd
190
Testlast
4800
Säkerhetsfaktor
4:1
Lyfthöjd
3
Manöverhöjd
3
Vikt, netto
181
Märkning
CE, WLL, BEAM WIDTH
Standard
SS-EN 13157
Varumärke
SVERO
Manual
Produktblad 

