Offertförfrågan
Tack för din förfrågan!
Vi strävar alltid efter att återkomma till dig inom 24 hKontakta oss
Fyll i kontaktformuläret så återkopplar vi till dig så snabbt vi kan
Tack för din förfrågan!
Vi strävar alltid efter att återkomma till dig inom 24 hTillbaka till produkt
Ring oss
+46(0)36 316570
SVERO
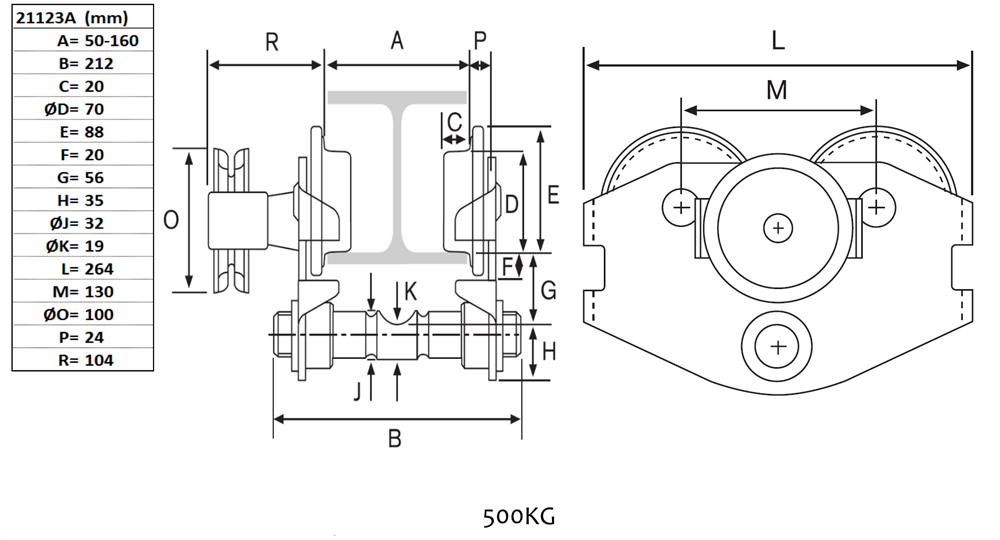
Art nr. 21123A
Balkvagn 500 kg kättingdriven 3 m, 50-160 mm
SVERO’s 500 kg kättingdrivna balkvagn/blockvagn passar i situationer när du behöver mer exakt kontroll av förflyttningen. Den lågbyggda 3-delade konstruktionen är lätt att montera. En allround Svero balkvagn/blockvagn för exempelvis den mindre verkstaden eller pumpstationen.
3 008 SEK
Exkl. momsi lager
–
+
Beskrivning
- förflyttas enkelt och lätt med hjälp av handkättingen
- passar de flesta lyftblock och telfrar
- passar IPE-, HEA-, HEB- och INP-balkar
- kan beställas med anpassad manöverhöjd
- pulverlackerade sidor i stål
- ställbar vänster- och högergängad bärbygel
- provbelastade med 1,5 x WLL
- arbetstemperatur -10° C upp till +50° C
- test- och CE-certifikat samt manualer medföljer
- spårbart med unikt SVERO serienummer
Egenskaper
Art nr.
21123A
WLL
500
Balkbredd mm
50-160
Testlast
750
Säkerhetsfaktor
4:1
Manöverhöjd
3
Handkätting
5,0X23,7
Märkning
CE, WLL, BEAM WIDTH
Standard
SS-EN 13157
Varumärke
SVERO
Manual
Produktblad


